銷售熱線
技術熱線:0576-85183757

銷售電話:0576-85182037
技術電話:0576-85183757
傳真號碼:0576-85182843
聯系郵箱:haihong@cn-hydraulic.com
公司地址:浙江省臨海市江南街道金嶺路199號
產品特點
6通片式多路閥;
緊湊的片式結構,可針對不同機器的需要組合相應的控制閥組;
控制方式:手動、電控;
回路形式:并聯回路、串并聯回路、串聯回路;
負載敏感控制,微動特性好;
多路閥結構緊湊壓力損失小,進出油油口位置可根據用戶需要做調整;
通過一次、二次溢流閥保護系統;
具有自動調平,后傾半速功能。
應用領域
除在叉車領域廣泛應用之外,還能在物流搬運機械等其他機械上應用。
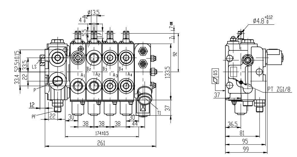
技術參數(對超出下述參數的應用場合,請與我公司聯系)
|
概述 |
|
|
結構 |
螺栓連接 |
|
說明 |
6通回路/壓力控制 |
|
安裝位置 |
任意 |
|
油口連接方式 |
螺紋 |
|
通徑 mm |
15 |
|
閥桿行程 mm |
7/7 |
|
液壓 |
|
|
泄漏量(在180bar,32mm2/s,50℃時) mL/min |
≤20(普通) |
|
≤12(叉車類) |
|
|
額定壓力bar |
中壓型L ≤250 |
|
高壓型H ≤300 |
|
|
回油背壓bar |
≤15 |
|
液壓油溫度范圍℃ |
-20~+100 |
|
粘度范圍mm2/s |
10~460 |
|
油液允許的污染等級 |
-/19/16 (ISO4406:1999) |
|
機械 |
|
|
重量 |
|
|
進油聯 kg |
4.5 |
|
換向聯(標準液控聯) kg |
6.3 |
|
出油聯 kg |
3.9 |
|
閥芯復位力(無定位裝置)N |
≤160 |
|
閥芯允許的最大操作力 |
|
|
軸向力N |
≤1000 |
|
徑向力N |
≤20 |
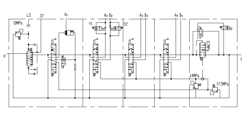
典型液壓原理圖及外形圖之一
應用說明
該系列CDB5多路閥在流量足夠的情況下,每個工作聯的流量是恒定的,與其負載的變化無關,使得每個工作元件都能實現平穩的工作,不會出現加大油門突然加速,更加便于操控;系統在工作時,泵工作壓力一直是執行元件的壓力(即負載壓力)加上控制壓力P(CDB5為0.7MPa),泵工作壓力隨負載壓力變化而變化,實現了系統的高效利用,降低能耗,而現在普通多路閥,泵是在溢流壓力下工作(起升除外);系統多余的流量通過控制閥芯的調節回油箱,其卸荷壓力為負載壓力加上控制壓力。而現在普通多路閥,多余流量通過溢流閥回油箱,卸荷壓力高,而且產生熱量,加速液壓系統的老化;多路閥內部裝有梭閥,可以反饋執行元件的最高壓力,從而調節流量;該系列多路閥應用于1-3T叉車。
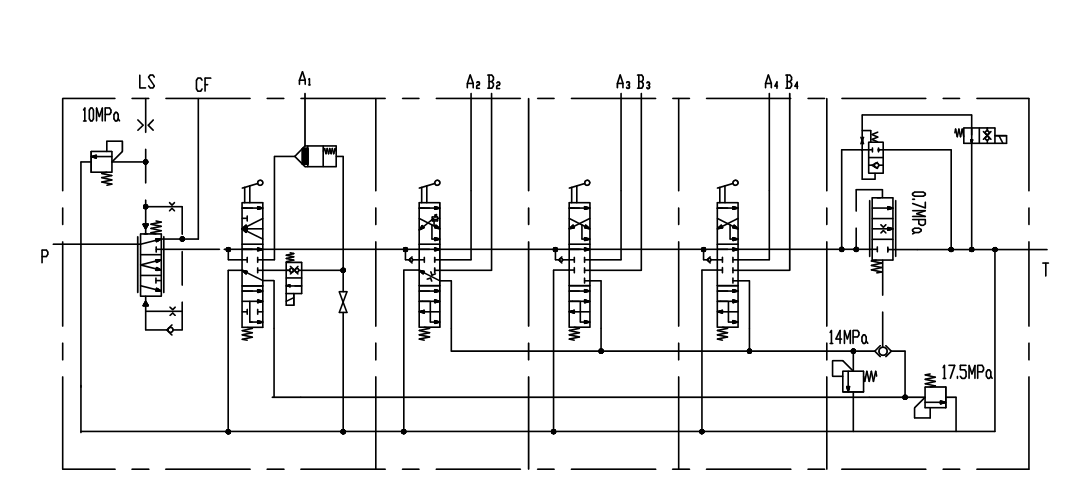
典型液壓原理圖及外形圖之二
應用說明
該系列多路閥具有負載敏感功能,微動特性好,可設置每一口的流量實現精細控制,并增加了操作者感知設置(OPS功能),通過在升降閥片和回油閥片上設置電磁閥,在車輛座椅內設置開關來控制電磁閥,實現當人離開座椅后整車無法動作,該系列多路閥應用于1-3T叉車、小型叉裝機等等。
典型液壓原理圖及外形圖之三
應用說明
該系列多路閥除具有負載敏感、OPS功能,還能實現自動調平,即通過在前傾回油設置電磁閥,將控制按鈕設置在操縱手柄上,當操縱者需要門架水平時,只要按住控制按鈕推動手柄即可,也可設置當門架超過一定高度時,關閉該電磁閥,防止誤操作造成前傾角度過大;后傾半速,即在后傾回油上設置電磁閥,通過傳感器反饋門架高度,當門架超過一定高度時,關閉電磁閥,使得后傾流量減少,實現后傾高門架半速功能。
相關產品
銷售熱線:0576-85182037
友情鏈接: 多路閥系列 先導閥系列 制動閥系列 操縱閥系列 農機閥系列 轉向閥系列 Sitemap TXT Sitemap XML 網站地圖

微信官網

手機官網