銷售熱線
技術熱線:0576-85183757

銷售電話:0576-85182037
技術電話:0576-85183757
傳真號碼:0576-85182843
聯系郵箱:haihong@cn-hydraulic.com
公司地址:浙江省臨海市江南街道金嶺路199號
產品特點
六通片式多路閥;
緊湊的片式結構,可針對不同系統的需要組合相應的控制閥組;
控制方式:手控、液控;
回路形式:并聯回路、串并聯回路、串聯回路;
內泄漏小,壓力損失小;
通過一次、二次溢流閥保護系統。
應用領域
應用于叉車、挖掘機、農業機械、鉆機、旋挖機、物流搬運機械、礦山機械等其他工程機械。
技術參數(對超出下述參數的應用場合,請與我公司聯系)
|
概述 |
|
|
油口連接方式 |
螺栓連接 |
|
控制方式 |
六通回路/壓力控制 |
|
安裝方式 |
見典型外形圖 |
|
通徑 mm |
15 |
|
閥桿行程 mm |
7/7 |
|
液壓 |
|
|
額定壓力bar |
中壓型L ≤250 |
|
高壓型H ≤300 |
|
|
允許最大回油背壓bar |
≤15 |
|
先導控制壓力bar |
≤35 |
|
先導控制曲線bar |
6~90(三位) |
|
液壓油溫度范圍℃ |
-20~+100 |
|
粘度范圍m2/s |
10~460 |
|
油液允許的污染等級 |
-/19/16 (ISO4406:1999) |
|
機械 |
|
|
重量 |
|
|
進油聯 kg |
3 |
|
換向聯(標準液控聯) kg |
1.5 |
|
出油聯 kg |
2.5 |
|
閥芯復位力(無定位裝置)N |
≤160 |
|
閥芯允許的最大操作力 |
|
|
軸向力N |
≤1000 |
|
徑向力N |
≤20 |
特性曲線
基本原理示意
換向聯
常用原理圖型號示例:
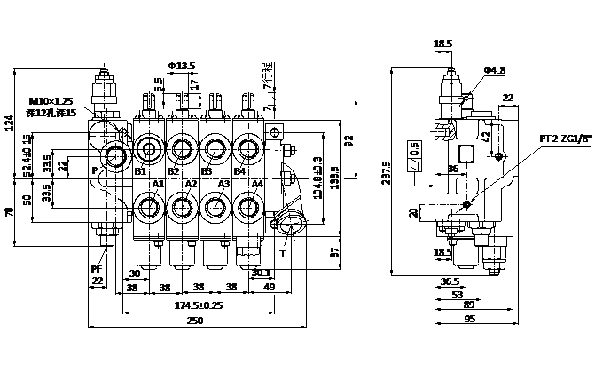
CDB2-F15系列典型外形圖及其液壓原理圖
應用說明
CDB2-F15系列多路為比較典型的15通徑多路閥,該閥進油聯穩定分流一部分流量,供應轉向系統使用;傾斜聯帶前傾自鎖功能,當車輛熄火后誤操作前傾手柄門架也不會前傾,提高了作業安全度。該系列多路閥整體結構緊湊,廣泛應用于1-3.5T小型叉車、叉裝機等各種工程車輛。
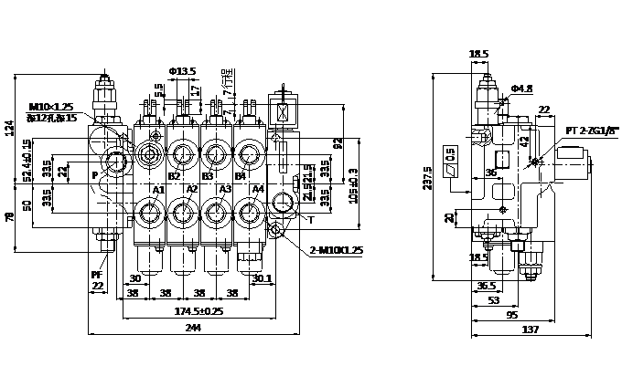
CDB3-F15系列典型外形圖及其液壓原理圖
應用說明
目前國內的叉車液壓系統,只要發動機開始工作提供泵來油,就能操作手柄來控制叉車門架的各種動作,當操作者暫時離開忘記熄火時,操作手柄門架仍能實現下降和前后傾功能,存在安全隱患。CDB3-F15系列多路閥通過在升降閥片設置電磁閥來控制叉車門架的下降;在回油聯設置電磁閥來控制整個工作油路的供油狀態,實現操作者存在感知功能,消除安全隱患。并且該多路閥進油片可集成優先閥,優先對轉向器進行供油,轉向不工作時油液全部去工作系統,能有效的降低能耗。該系列多路閥應用于1-3.5T叉車、小型叉裝機等工程車輛。
WJ15系列典型外形圖及其液壓原理圖


應用說明
WJ15系列多路閥采用串并聯結構,工作聯可根據需求增加或減少。進油聯上有主溢流閥,保護系統壓力不超過設定值,工作聯上還可設二次溢流閥,保護油缸。閥桿機能采用O或Y型,控制機能可采用手動或液控方式,復位機構可采用彈簧復位或鋼球定位。該系列多路閥廣泛應用于小型挖機、鉆機、環保機械等小型車輛。
相關產品
銷售熱線:0576-85182037
友情鏈接: 多路閥系列 先導閥系列 制動閥系列 操縱閥系列 農機閥系列 轉向閥系列 Sitemap TXT Sitemap XML 網站地圖

微信官網

手機官網